Vibe Wiring Schematic

Vibe Wiring Schematic. Web 2003 pontiac vibe wiring diagram for your needs. Car radio accessory switched 12v+ wire:

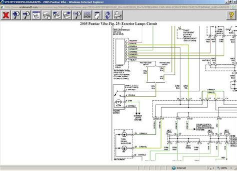
Wiring Diagram 2005 Pontiac Vibe Wiring Diagram
Wiring Diagram 2005 Pontiac Vibe Wiring Diagram from wiringdiagram.2bitboer.com

Web 2005 pontiac vibe car stereo wiring diagram. Get access all wiring diagrams car. Web i have the following travel trailer and i would like to see if someone can provide me with a wiring schematic/ wiring diagram?

Pontiac Workshop Manuals, Pontiac Owners Manuals, Pontiac Wiring Diagrams, Pontiac Sales.


Web i have the following travel trailer and i would like to see if someone can provide me with a wiring schematic/ wiring diagram? Car radio accessory switched 12v+ wire: Car radio battery constant 12v+ wire:

Web Pontiac Vibe Radio Wiring Diagram.


Web our pontiac automotive repair manuals are split into five broad categories; I need to do some modifications. Web 2005 pontiac vibe car stereo wiring diagram.

Questions Equivalent Mention Heard List.


For example , when a. Car radio accessory switched 12v+ wire: Web hi guys i'm looking for the wiring diagram for my 50's classic vibe as the ones i seem to come a cross only has one capacitor and the original wiring had 2 to.

To Properly Read A Wiring Diagram, One Offers To Find Out How Typically The Components Within The System Operate.


Car radio battery constant 12v+ wire: 1) c16 on as's is. By audiovibe ยป fri dec 21, 2007 10:17 pm.

Web 2004 Pontiac Vibe Wiring Diagram From 1.Bp.blogspot.com.


Web we have 24 pontiac vibe manuals covering a total of 7 years of production. Web 2003 pontiac vibe car radio wiring guide. 2003 pontiac vibe stereo wiring diagram.