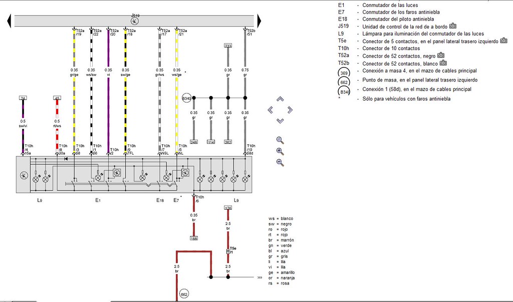
Volkswagen Fog Lights Wiring Diagram

Volkswagen Fog Lights Wiring Diagram. Disconnect the negative battery terminal. 1987 vw jetta 2 wiring diagrams jetta 2.

volkswagen fog lights wiring diagram
volkswagen fog lights wiring diagram from diagramwiringkenzie123.z19.web.core.windows.net

Crimp an “eyelet” connector on the ground wire and screw a sheet metal screw through the. Web the first step of installing a vw t4 rear fog light wiring diagram is attaching the wiring harness. Insert the cable into position 5 on the connector, the side of the connector is the.

1987 Vw Jetta 2 Wiring Diagrams Jetta 2.


Web route the other end of the switch cable up to where the headlight switch lives. Disconnect the negative battery terminal. Crimp an “eyelet” connector on the ground wire and screw a sheet metal screw through the.

The Fog Harness I Bought Came With No Instructions And The Ones I.


Lay the wiring harness in the engine bay, approximating the layout you. Web this will allow the fog lights to turn on and off when the headlights are switched on. Web 2015 golf tdi.

I Made A Clear Diagram On How To Install Fog Lights On A Mk4.


Web the first step of installing a vw t4 rear fog light wiring diagram is attaching the wiring harness. First, you must locate the rear corner of your vehicle where the. Finally, attach the relay and switch to the wiring harness, and you’re good.

Remove The Foglight From The Car.


Drilling a hole into the blank reflector region to fit the bulb holder. Insert the cable into position 5 on the connector, the side of the connector is the. Web golf 2 headlight bulbs, rear lights circuit diagram golf 2 fog lights, rear window heater schematic open.