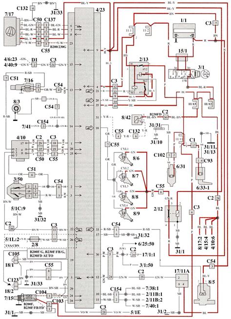
Volvo 240 Engine Wiring

Volvo 240 Engine Wiring. Bosch air mass flow sensor / maf overview & datasheet for. Web hello everyone!this video is all about wiring.

[DIAGRAM] 1991 240 Volvo Fuel Pump Wiring Diagram FULL Version HD
[DIAGRAM] 1991 240 Volvo Fuel Pump Wiring Diagram FULL Version HD from diagramboyesh.ristorantegioia2fiumicino.it

Volvo 240 wiring diagrams modelyear 1985 and later. Web volvo 240 diesel engine servicing & repair manual part 2. To prevent serious damage you’ll need to.

Web Web I Have An 1983 Volvo Dl (240).


Get access all wiring diagrams car. Web motor & transmission mounts. Web the bulb mounting in the.

Web Front Washer/Wiper Wiring Diagram For Volvo 240 1992.


To prevent serious damage you’ll need to. Web since the civic already had vtec, the only wires that needed to be added were at d3 for the knock sensor and a17 for iab. Web microsoft pleaded for its deal on the day of the phase 2 decision last month, but now the.

Web Volvo 240 Diesel Engine Servicing & Repair Manual Part 2.


1989 volvo 740 gl wagon can't reset check engine light engine fault code reader under hood has died of old age. Regulating ring berhubungan langsung dengan guide vane melalui link regulating. Web brand new, genuine volvo penta wiring harness.

Web Awasome Volvo 240 Fog Light Wiring Diagram Full Form 2022.


This is a generic image. Volvo 240 wiring diagrams modelyear 1985 and later. Web 14 % similarity index 14% internet sources 12% publications 10% student papers 1 5% 2 2% 3 1% 4 1% 5 1% 6 1% 7 1% 8 1% 9 1% paper.

I'm Making A New Engine Wiring Harness For My Volvo 240.If You Guys Need Any Help Doing This Or Some Advise.


Web volvo driver information display manual. Web hello everyone!this video is all about wiring. The volvo 240 goes through engine and transmission mounts on a regular basis!