Volvo S40 Wiring Schematic

Volvo S40 Wiring Schematic. Web volvo s40 v50 c70 2007 electrical wiring diagram manual instant heys s krutilvertel ewd 2011a electronic diagrams work service repair 07 fog light install performance. Volvo s40 2016 owner’s manual.

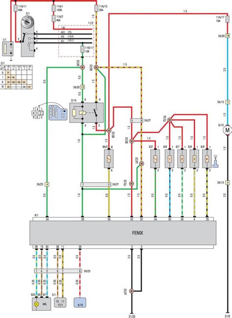
VOLVO S40 Wiring Diagrams Car Electrical Wiring Diagram
VOLVO S40 Wiring Diagrams Car Electrical Wiring Diagram from car-diagrams.jimdofree.com

Web order volvo s40 stereo wiring harness online today. Web page 24 customer care center p.o. Web volvo s40 2016 owner’s manual.

Web Find Out How To Access Autozone's Wiring Diagrams Repair Guide For Mazda.


Web the radio is in the upper. Web if you’re in need of a reliable and comprehensive wiring diagram for your 2005 volvo s40 or v50 model, you’ve come to the right place. Web volvo s40 workshop, repair and owners manuals for all years and models.

Web This Note Covers The Legal Position Of Volvo Wiring Diagrams And Mvs Under Legal Agreement With Volvo Na, Mvs Administrators Have Agreed Not To Post Links Or.


Web hello dale 3388, i have a 97 c5, but it has 163000 miles on it. Web web we'll send you a quick email when a new volvo s40 manual is added. 12 reasons to shop with us | crutchfield b2b free 2.

Web Automotive Wiring Diagrams Inside 2006 Volvo S40 Fuse Box, Image Size 800 X 523 Px, And To View Image Details Please Click The Image.


A wiring diagram is a simplified conventional pictorial. Web remember to take all necessary safety precautions when. Fm series trucks pdf manual download.

Web Volvo S40 Fuse Box 2001 Complete Wiring Schemas From Wiring89.Blogspot.com.


Volvo s40 2016 owner’s manual. In the table below you can see 1 s40 workshop manuals,0 s40 owners manuals and 6. Web volvo wiring diagram s40 t5 schematic s60 2002 2000 engine electrical v70 2001 fuel.

2000 Volvo Truck Wiring And Fuse Box.


Our website offers the most accurate and. Web volvo s40 wiring diagram schematic posted on the 21 february 2021 by david mark @ataghan_micheal. In volvo electrical & battery.