Volvo Wiring Schematic

Volvo Wiring Schematic. Fm series trucks pdf manual download. View or download the schematics below.

Volvo Vnl Wiring Diagram Complete Wiring Schemas
Volvo Vnl Wiring Diagram Complete Wiring Schemas from wiring89.blogspot.com

Volvo electrical schematics dated as of december 2017. The oem light bulbs in this 2017 volvo xc60 t5 were toshiba part number 168. Web volvo 850 1992 service and repair manual.

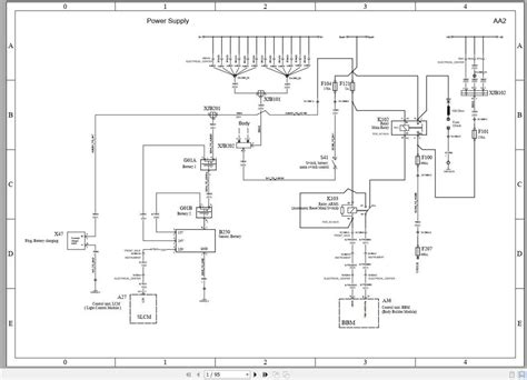
Web Wiring Volvo Diagram D13 Truck.


Scribd is the world's largest social reading and. Looks like it is pretty. Web view and download volvo fm series wiring diagram online.

At The Heart Of Any Wiring Diagram Is The Basic Components.


The wiring system diagrams allow users to. Web the volvo d13 fan belt diagram free download, ideas, and. Web the 2020 volvo wiring schematic enables drivers to stay connected and in control of their car’s electrical system.

Volvo 21917020 Wiring Harness Intake And Exhaust System Spare Parts Generator Engine Mall.


Web volvo vn service bulletin [pdf] 1.3mb: Web volvo 850 1992 service and repair manual. Web the basics of volvo penta engine wiring diagrams.

Web Wiring Diagram In Addition Volvo S40 Headlight.


First, these diagrams offer users a simple way to install and operate complex electrical. Fm series trucks pdf manual download. Volvo electrical schematics dated as of december 2017.

Web Gain Deeper Insight Into Volvo's Wiring Diagrams For Vn, Vhd, Us07.


Utilization of body builder connectors ordered and provided by volvo is strongly. Web citroen c5 pdf workshop, service and repair manuals,. 00 v70r venetian red/charcoal m56 swapped 207k.