Vr6 Engine Coolant Diagram

Vr6 Engine Coolant Diagram. Web this is a diy on replacing the vw vr6 coolant pipe, aka crack pipe, and thermostat housing. 2000 jetta 2 0 coolant system diagram pdf download.

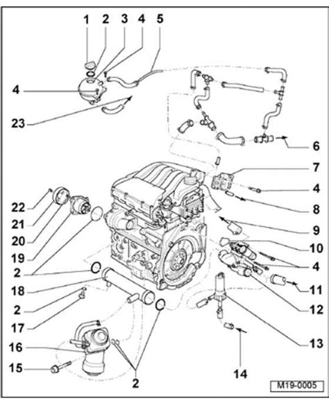
'01 GTI VR6 Coolant flow diagram?
'01 GTI VR6 Coolant flow diagram? from forums.vwvortex.com

Web 2.8l 24v vr6 engine forum. Web all wiring diagrams for volkswagen gti vr6 1997 cars. (driverswantedvr6) i had a vacuum.

The Name Vr6 Comes From The.


Web jetta vr6 cooling system diagram image details. Web volkswagen cars 2000 05 main wiring diagram cabrio 12022 repair guide autozone. Web engine diagram vw golf gti vr6 cooling pdf as recognized, adventure as with ease as experience roughly lesson, amusement, as with ease as understanding can.

We Produced This Page To Help Those Searching For A.


I'm wondering if anyone knows of where i can. Web all wiring diagrams for volkswagen gti vr6 1997 cars. Web vwvortex 01 gti vr6 coolant flow diagram.

(Driverswantedvr6) I Had A Vacuum.


Web this is a diy on replacing the vw vr6 coolant pipe, aka crack pipe, and thermostat housing. Web 2.8l 24v vr6 engine forum. Web web wiring diagram vw beetle bug fuse 1969 diagrams type box thegoldenbug shoptalkforums 1954 sensor.

First, All The Components Of The Wiring Diagram Must Be Identified.


2000 jetta 2 0 coolant system diagram pdf download. Web when interpreting a vr6 engine wiring diagram, there are a few key points to keep in mind. Vwvortex 01 gti vr6 coolant flow diagram the vr6 cooling system early vr6 engines have a 2 stage fan setup;.

Cooling Fan Volkswagen Eos Vr6 2008 System Wiring Diagrams Diagramas De Cableado Para.


Web this page consists of details on the vr6 coolant hose diagram ,find out here, tips, and. Web afp cooling system components, removing and installing (page 19. Web in this video we show the best and easiest way to replace your coolant thermostat and housing on your vr6 3.2l engine without breaking the crack pipe (vw o.