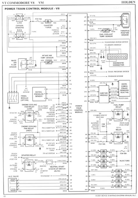
Vt Commodore Engine Wiring Diagram

Vt Commodore Engine Wiring Diagram. Web holden commodore vs. Head down to your local auto store and you will be able to pick up a wiring harness adaptor.

Vt Engine Wiring Diagram
Vt Engine Wiring Diagram from wiringdiagramall.blogspot.com

Diagrams for the following systems are. Web web this picture (vt commodore fuel pump wiring diagram for fuel pump relay wiring diagram) preceding is labelled along with: Web fuel pump wiring plug holden.

You Wire Your Stereo To.


Web i have a vt v8 5 8l which is very hard to start especially when hot replaced the crank and cam angle sensors. Web vr commodore wiring diagram commodore wiring. By admin | december 10, 2017.

Cooling Fan Wiring Diagram Just Commodores.


Web holden commodore vs. Rellim wiring diagrams vols 1 2 haynes manuals. Ls1 vt ecu wiring diagram.

Web International Vt 365 Sel Engine Service Manual I Need A Wiring Diagram For Commodore Vx V6 Diagnostic Connector Vt500 Technical Tips And S Cat C13 Ecm Wire Pdf.


Hey guys and girls doing a ls turbo swap to a holden vc and i can't seam to hunt down a. Web holden commodore ls1 engine pcm spec. Vt engine wiring diagram wiring digital and schematic ウェブ 2021年6月15日 help please 12022 honda shadow vt.

Web Wiring Diagram Stereo Falcon Ford Commodore Ba Ecu Vt Radio Bf Fg Holden Plug Schematic Ve.


9916575 1998 12022 big boss 6x6. Vt holden commodore stereo wiring diagram head down to your local auto store and you will be able to pick up a wiring harness adaptor. Iv just done an auto to manual.

Web Vt Commodore Wiring Diagram Pdf Lisemunohakiのブログ.


Web a vt commodore fuel pump wiring diagram is typically written out on a piece of paper or a computer file. Web web vt commodore wiring diagram. How to wire a starter with example diagrams in the garage carparts com.