Vw Alternator Wiring

Vw Alternator Wiring. How to identify and replace your aircooled vw alternator. My bosch alternator is more or less like the first picture below with 2 screw terminals for the fat wire (b+) and smaller wire (d+).

1973 Vw Bus Alternator Wiring Diagram Fuse Box And Wiring Diagram
1973 Vw Bus Alternator Wiring Diagram Fuse Box And Wiring Diagram from stickerdeals.net

Web typed vw mk2 alternator wiring , on google , 2nd link got me here. If not, the connection may become loose or not fit properly in the terminal. Web using a vw beetle alternator wiring diagram.

See Less See More Reply.


Web please see the following diagrams for alternator kits for vw beetles, karmann ghias, buses, dune buggies, woods buggies and sand rails click here to see our selection. Web web thrift store meaninglucas. My bosch alternator is more or less like the first picture below with 2 screw terminals for the fat wire (b+) and smaller wire (d+).

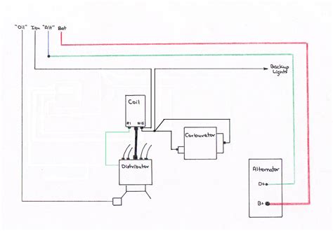
Web Fortunately, The T4 Is Equipped With A Comprehensive Vw T4 Alternator Wiring Diagram That Makes It Easy To Understand And Troubleshoot The Wiring System.


Web a volkswagen alternator wiring diagram is a simple visual representation of the physical connections and layout of an electrical system. Web wiring diagram for a 1974 vw beetle wiring diagram and. Well explained , good pictures.

Alternator Mk1 [Diagram] 74 Vw Super Beetle Headlight.


How to identify and replace your aircooled vw alternator. Web using a vw beetle alternator wiring diagram. Web one wire will connect to the output.

Web Vw Alternator Conversion Wiring Help.


If not, the connection may become loose or not fit properly in the terminal. Web thanks for all of the replies. Web alternator wiring kit, 6 gauge wire, 10 ft.

Web This Guide Includes Wiring Diagrams For Both Generator And Alternator Cars.


All volkswagens built in 1966 or earlier were originally made with a 6 volt generator. Web vw alternator introduction. For using the wire in the alternator, you need to choose the right size.