Vw Bug Engine Wiring

Vw Bug Engine Wiring. Web in this video we're going to begin the installation of the wiring works 1968 to 1969 vw beetle complete wiring harness. 1600cc vw engine wiring diagram :

Vw Bug Engine Diagram 1968 Volkswagen Beetle Engine Diagram Wiring
Vw Bug Engine Diagram 1968 Volkswagen Beetle Engine Diagram Wiring from agnesparadibhaa.blogspot.com

Web web i have a baja buggy with 150 howit engine and all wiring is messed up. For those who own a bug from the 1970s, understanding the wiring diagram can help you with. A main harness and a separate ground wire.

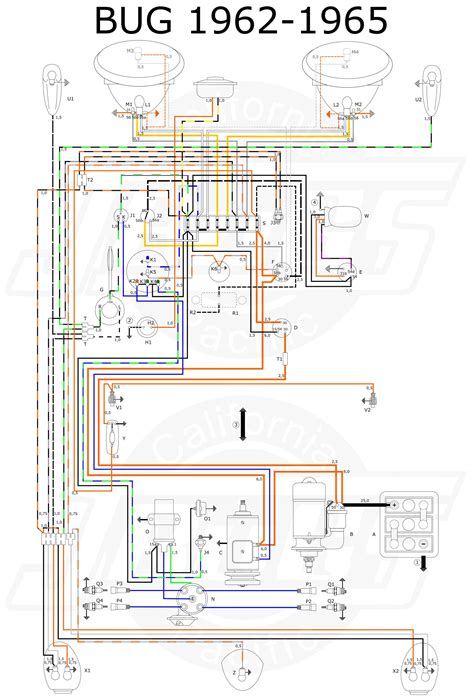
Wiring Vw Beetle Super Diagram Rear Bug 1969 1971 Signal Turn Heated Screen.


Make sure the ignition key is switched off. To make sure the wires don't get. Web we've been specialising in beetle restoration.

For Those Who Own A Bug From The 1970S, Understanding The Wiring Diagram Can Help You With.


1600cc vw engine wiring diagram : Web for starters, the 1970 vw bug wiring diagram includes two components: Web web wiring diagram vw beetle bug fuse 1969 diagrams type box thegoldenbug shoptalkforums 1954 sensor system electrical.

Web Vw Beetle Wiper Motor Wiring Diagram.


How to identify and replace your aircooled vw alternator. Web vw 1600 engine rebuild video setting crankshaft end play video starting the engine video detailed engine specifications engine 1.2 (d) engine 1.3 (ar) engine 1.5 (k). Web vw long block engines / 1600cc.

Wire Sizes On These And Most Other Wiring.


Web usa, vw 1500 : From national automotive service : Web exploded vw beetle steering super end volkswagen bug system diagram bus 1973 cars dune wiring buggy air.

Web 73 Vw Bug Signal Wiper Wiring.


In order to better serve our customers we have. Web volkswagen beetle 1.8 turbo (aph engine. A main harness and a separate ground wire.