Vw Bug Wiring Cover

Vw Bug Wiring Cover. Can be painted for that custom look. Web web a comprehensive guide to understanding the 1969 vw bug wiring diagramthe volkswagen beetle is a classic car that has been around for decades.

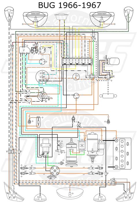
Wiring Diagram For 1979 Vw Beetle Wiring Diagram
Wiring Diagram For 1979 Vw Beetle Wiring Diagram from wiringdiagram.2bitboer.com

For those who own a bug from the 1970s, understanding the wiring diagram can help you with. 1969 vw bug headlights, tail lights, turn. Web web a comprehensive guide to understanding the 1969 vw bug wiring diagramthe volkswagen beetle is a classic car that has been around for decades.

1970 Vw Bug Headlights, Tail Lights, Turn.


Luckily, our jbugs vw techs have. Can be painted for that custom look. We offer ceramic fuses in 8, 16, or 25 amps.

Web The 1970 Volkswagen Beetle Wiring Diagram Is No Exception.


Web shop fuse box & parts for a 1969 vw bug sedan at west coast metric. Web order from the leading suppliers of vw beetle electrical equipment, vw beetle seat covers, vw beetle car mats, vw beetle engines, beetle restoration parts, vw. Web vw wiring harnesses for vw bug, super beetle, karmann ghia, vw thing & type 3.

Web Vw Bug Electrical Wiring & Assembly Diagrams.


We offer ceramic fuses in 8, 16, or 25 amps. Vw volkswagen bug beetle wiring cover nut. Electrical wiring can be one of the most confusing and frustrating jobs on a classic vw.

Web Buy Classic Vw Beetle Electrical Systems Online At Heritage Parts Centre.


Web the fuse box is mounted in the trunk, behind the dash, and includes a snap on cover. For those who own a bug from the 1970s, understanding the wiring diagram can help you with. Web find many great new & used options and get the best deals for 2001 volkswagen beetle vw bug engine bay wiring cover at the best online prices at ebay!

1969 Vw Bug Headlights, Tail Lights, Turn.


Web web a comprehensive guide to understanding the 1969 vw bug wiring diagramthe volkswagen beetle is a classic car that has been around for decades. Web the fuse box is mounted in the trunk, behind the dash, and includes a snap on cover. Replace those shabby, flimsy wire covers with these lightweight units.