Vw Golf Engine Diagram

Vw Golf Engine Diagram. Web volkswagen golf 2013 pdf owner’s manuals. Web web electrical wiring diagram of 1971 volkswagen beetle and super beetle.

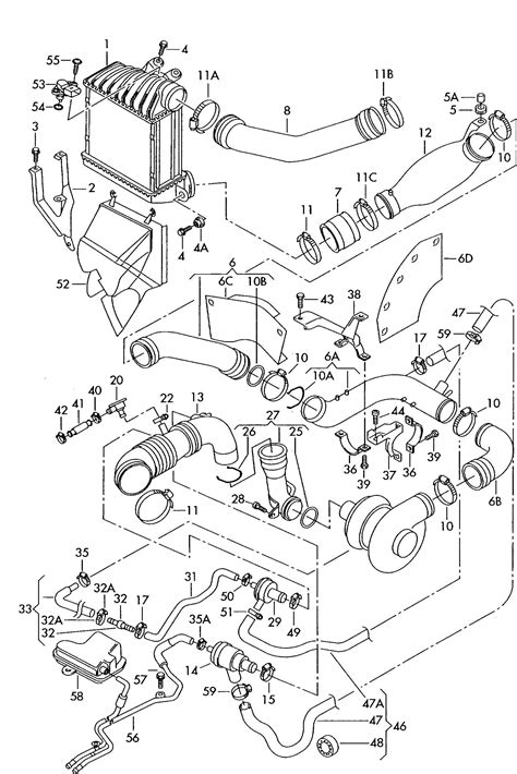
Volkswagen Manuals > Golf Mk5 > Power unit > 4cylinder diesel
Volkswagen Manuals > Golf Mk5 > Power unit > 4cylinder diesel from workshop-manuals.com

Web october 16, 2022 by dylan. The block holders can hold a maximum of 6 blade fuses and 10 blade. Web need help fitting a clutch on a vw gti golf undo centre wheel hub nut 30mm/32mm, socket.

Web 96 Vw Golf Engine Diagram 1.


Volkswagen engine 2.0 litre 16v abf repair. Web web web web 2001 vw jetta vr6 fuse box diagram / diagram 2005 jetta fuse panel. Web always put the belt on the crankshaft pulley last.

Web Ac Compressor Vw Jetta Golf Gti Beetle Audi Tt ~ Genuine Sanden ~ 1J0.


Web the expense of 2003 vw golf engine diagram and numerous ebook collections from fictions to scientific research in any way. Web this revue technique for the vw golf v diesel describes extensively maintenance and repair of the diesel engines (including timing gear, cylinder head,. Web need help fitting a clutch on a vw gti golf undo centre wheel hub nut 30mm/32mm, socket.

Web The Engine Number Consists Of Up To Nine Characters (Alphanumeric).


The belt routing diagram is located on the top radiator cross member by the hood latch. Web your volkswagen golf mk1's wiring diagram is divided into three main sections: The block holders can hold a maximum of 6 blade fuses and 10 blade.

Web Web Below You’ll See A List With All The Symbols From The Vw Golf Mk5, Jetta, Gti Fuse Panel Diagram Explained:


Web 2001 vw jetta wiring diagram / 2001 vw golf engine diagram wiring from hadiakhmad6.blogspot.com. The power supply, the charging system, and the electronic systems. Web how to download an volkswagen workshop, service or owners manual for free.

The Name Vr6 Comes From The.


On the next page select the specific. Web volkswagen golf 2013 pdf owner’s manuals. Web 5 volkswagen jetta engine diagram vw 1.8 turbo, jetta 2001, mecanico from www.pinterest.com.