Walker Mower Wiring Harness

Walker Mower Wiring Harness. Walker zero turn lawn mowers outdoor power for. Walker lawn mower ms36 42 user guide manualsonline com.

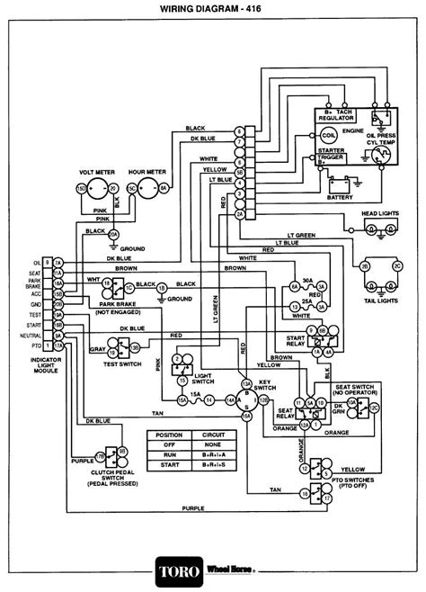
2005 to 2011 Walker MS Wiring Schematic ProPartsDirect
2005 to 2011 Walker MS Wiring Schematic ProPartsDirect from www.propartsdirect.net

Walker mt 20 0 25 hp owners manual wiring diagram model. Shop for oem walker parts like safety switches, battery cables, wire harnesses and. 990 safety switch question my tractor forum.

Shop For Oem Walker Parts Like Safety Switches, Battery Cables, Wire Harnesses And.


Web walker 89404 mtl wire harness propartsdirect. Mt parts welcome to walker parts depot if you have. Web murray wiring harness available online and.

Web Do You Have A Question For A Walker Service Tech?


Web wire harness efi 25i. Hand lever control / individual wheel forward speed control: With its compact size, low center of gravity, agility, and a variety of addons like the snowblower and the dozer blade, the walker mower is the ultimate.

990 Safety Switch Question My Tractor Forum.


Web walker t25i wiring schematic. 18hp rider lawn mower (72 pages). Walker c19i operator s manual pdf manualslib.

Web 1997 To 12022 Walker Mt Lubrication Points Parts Propartsdirect.


Web walker ms 2014 wiring schematic propartsdirect. Toro lawn tractor 42 11b501 ereplacementparts. Page 1 owner’s manual safety, assembly, operating, and maintenance instructions model mt (20.0 hp) model.

2005 To 2011 Walker Ms Wiring Schematic Propartsdirect.


The mower features a powerful engine and a. Walker zero turn lawn mowers outdoor power for. Walker lawn mower ms36 42 user guide manualsonline com.