Welder Generator Wiring Schematic

Welder Generator Wiring Schematic. Web get the technical documents you need, including: If there's no breaker then it must be assumed it had been.

Generator Welding Machine Diagram
Generator Welding Machine Diagram from weldingmachinesbestbuy.blogspot.com

Lincoln electric 225 arc welder wiring diagram images. Web arc welding schematic diagram. Web a distinction is made between the terms “weld symbol” and “welding symbol.”.

Web A Hobart Welder Wiring Diagram Is An Invaluable Tool For Those Who Need To Know How To Properly Wire A Welder.


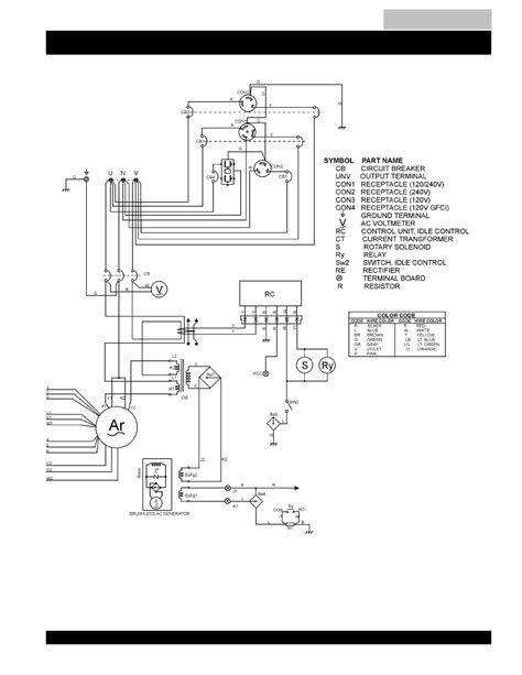
Web „ remove stick electrode from holder or cut off welding wire at contact tip when not in use. Web welding generator wiring diagrams are essential when it comes to installing and maintaining welding generators. Web legend nt no 60hz generator output.

Schematic Of Ultrasonic Welding Machine 6 Scientific Diagram.


Web get the technical documents you need, including: Web a 240v welder plug wiring diagram can help you understand the various electrical connections in your welder and how they are wired up. Wire #24 comes from the charge windings and goes to the circuit breaker.

A Hobart Welder Wiring Diagram Will Show You.


Web switch mode arc inverter welder schematic page 4 throughout inverter welder schematic circuit diagram image size 640 x 343 px and to view image details. Web a mig welder circuit diagram is a visual representation of the electrical circuitry of a mig welder. Schematic diagrams, wiring diagrams, and specification sheets for your kohler power generator.

Web When Installing Wiring For Your Miller Bobcat 250, It Is Important To Follow All Of The Instructions Provided In The Welding Schematic.


Engine driven welder generator with chopper circuit diagram schematic and image 03. Web this machine that has an age is the first. Dca45ssiu3 generator and engine wiring diagram.

Web For Instance, All Of Hobart’s Wiring Diagrams Require That The Positive And Negative Leads From The Power Supply Be Connected To The Two Input Terminals.


Web welder generator wiring schematic. If a mistake is made during the. Small sel generators wiring diagrams.