Western Plow Wiring Schematic Gm

Western Plow Wiring Schematic Gm. Web parts list and installation. Before reading a new schematic, get familiar and understand.

wiring western snow plow
wiring western snow plow from circuitdiagramking77.z19.web.core.windows.net

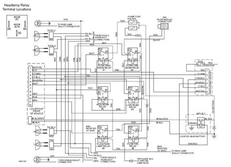
To properly read a cabling diagram, one has to know how the components within the method operate. Replacement remote for meyer straight blade snow plows sam plow parts 3371306901. Web western snow plow wiring diagrams western snow plow wiring schematics 88 98 chevy gmc light wiring for western and fisher relay style with.

Web Service Of Western ® Snowplows.


Boss v plow wiring harness diagram. Web how to tell the difference between boss rt1 rt2 and rt3 snow plows. Web western snow plow wiring diagrams western snow plow wiring schematics 88 98 chevy gmc light wiring for western and fisher relay style with.

Web Wiring Conversion Kits #49663, 49664 & 49665 :


Web parts list and installation. Web ultramount hydraulic, electrical system & controls diagrams. Chevy western plow lights wiring diagram full.

Web Web Review Of Fisher Plow Wiring Diagram Dodge.


Web web boss v plow wiring diagram. Web web electrical system wiring schematic (plow side) g10271. Web i have a western unimount hooked up to my 91 chevy with the dual headlights.

You Get The 9 Pin Relay Style Control Harness.


Wiring diagrams offer a visual. Web 63422 western unimount 2b 1. It also provides safety information and recommendations.

Web Welcome To The Growing Family Of Western ® Snowplow Owners.


Western plows part # 22511k quantity. 2001 chevy 2500hd 8.1 western. Web understanding the wiring diagram of your western plow 3 port module is critical for proper installation and troubleshooting.