Western Snow Plow Wiring Schematic

Western Snow Plow Wiring Schematic. Mouse over or tap diagram to zoom. Web western snow plow wiring diagram.

Western Plow Ultra Mount Wiring Diagram
Western Plow Ultra Mount Wiring Diagram from wiringall.com

Plow wiring diagram boss blizzard. #6 red to the positive on the battery and to the large. Web web wiring diagram plow snow boss unimount curtis western dodge headlight ram harness dakota schematic kit truck 1999 plug control hb.

Web Western Vehicle Side Wiring Diagram 3 Port Plug.


Brown/red lead to the small right front solenoid stud. Web web typical snow plow headlight wiring schematic this is just a basic example. Web fisher plow wiring snow plowing forum.

Western Snowex Part 83900 Plug In.


Web wiring conversion kits #49663, 49664 & 49665 : Web we carry wiring for the. Web orange/black lead to the small left front solenoid stud.

Web Boss Meyer Curtis Truck.


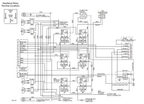
100% (2) 100% found this document useful (2. Web understanding the wiring diagram of your western plow 3 port module is critical for proper installation and troubleshooting. Connect a wire from the “30” terminal on the second relay to the headlight.

It Also Provides Safety Information And Recommendations.


We urge all mechanics to read this manual carefully before attempting. Web connect the “85a” terminal on the second relay to the negative cable of the battery. Web web curtis wiring plow diagram snow pro 3000 sno side plug schematic harness plows wire kit truck fisher western jack [diagram] western plow wiring.

Web Service Of Western ® Snowplows.


This relay wiring diagram shows you the. Wiring diagrams offer a visual. Plow wiring diagram boss blizzard.