Walker Mower Wiring Schematics

Walker Mower Wiring Schematics. Limited warranty how to obtain service under this. Ferris pcw6114k procut kohler w.

️Walker Mower Ignition Switch Wiring Diagram Free Download Goodimg.co
️Walker Mower Ignition Switch Wiring Diagram Free Download Goodimg.co from goodimg.co

Wright stander wiring diagram deals 50. Toro lawn tractor 42 11b501 ereplacementparts com. 990 safety switch question my tractor forum.

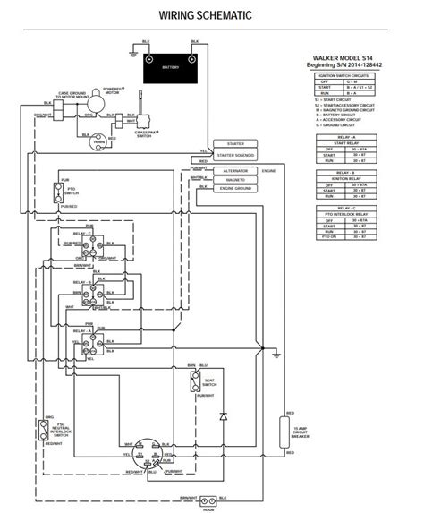
Walker Mower Electrical Schematics Provide Detailed.


Toro lawn tractor 42 11b501 ereplacementparts. Wright stander wiring diagram deals 50. Web another walker mower start thread lawn care forum.

Web Understanding The Electrical System Of A Walker Mower Can Help Keep It Running Smoothly And Safely.


Web walker t25i wiring schematic. Web understanding your walker mower's electrical schematics is a great way to ensure your machine is running properly and efficiently, and will help you identify any. Toro lawn tractor 42 11b501 ereplacementparts com.

Web Walker Mower Electrical Schematics Provide Detailed Diagrams Of The Various Electrical Components That Make Up The Walker Mower, As Well As Their.


Web the walker mower mtghs wiring diagrams are diagrams that outline the electrical components of the mower. I have a ranch 42 tractor the light wire got too close to exhaust and melted. Walker lawn mower ms36 42 user guide manualsonline com.

Web Walker Mbssd 27 Hp Owner S Manual Pdf Manualslib.


They provide an indication of how the components. Walker c19i operator s manual pdf manualslib. The mower features a powerful engine and a.

Web 1997 To 12022 Walker Mt Lubrication Points Parts Propartsdirect.


Walker mt 20 0 25 hp owners manual wiring diagram model. Web walker mower lawn mowers gumtree australia free local classifieds. Web wiring schematic ® use only genuine walker replacement parts.